13516032437
首页
家用中央空调
分体空调
商用多联机
风冷模块
关于我们
解决方案
联系我们
经典案例
新闻资讯
预约服务
热门关键词:
系列
家用中央空调
商用多联机
注意
智能
一拖四
制热
说明书
工业化工
合适
您的位置:
格力中央空调
>
产品中心
>
格力产品说明书
产品中心
家用中央空调
starIII-明星款 全面守护
别墅|舒睿|铂韵|全能|free
智睿系列-变频变容 用电省半
温控器|遥控器|线控器|灯板
颐居系列-小机身大能力
风管机|吸顶空调|壁挂室内机
分体空调
挂壁空调
立式空调|柜式空调
格力儿童空调
移动空调|窗式空调
商用多联机
风冷模块
新风净化机
精密|特种|防爆
特种空调系列
精密空调系列
格力防爆空调
格力产品说明书
咨询热线
1
/1
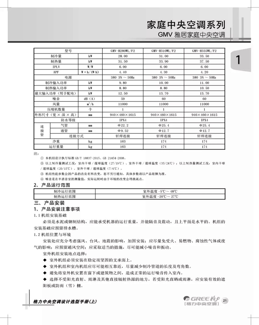
GMV雅居家庭中央空调室外机说明书
GMV雅居系列格力家用中央空调说明书,该机组综合能效比远超国家一级标准,采用单风机精巧设计,能满足楼房飘窗下安装,从此解决您外机无处安放的困扰
热品推荐
/ Hot product
服务热线
13516032437
预约服务
微信扫一扫
返回顶部