13516032437

咨询热线

1/1
格力浴享风管式室内机说明书(浴室专用室内机说明书)
格力浴享风管式室内机是专门为家庭浴室开发的家用中央空调室内机,其对浴室高湿环境适应性更强,独特的蒸发器结构制冷制热效果更佳,新增干衣模式浴室可变为干衣房

浴享风管式室内机是格力舒睿系列家用中央空调专用内机,令你家中洗浴从此爱上三九天
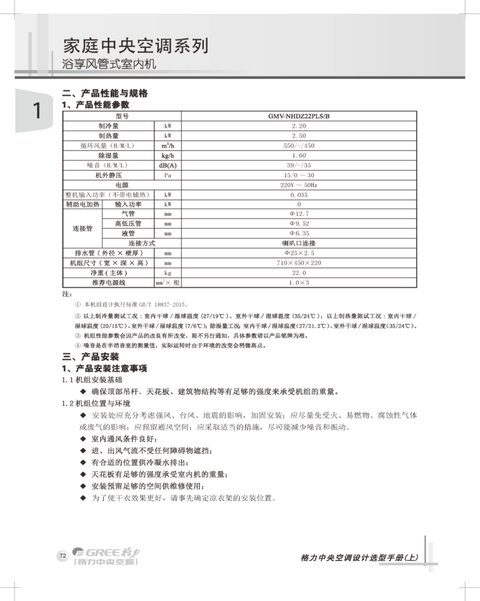
格力浴享风管式室内机,是专门为家庭浴室开发的格力家用中央空调室内机型,其专业的防护结构,对浴室高湿环境适应性更强,独特的蒸发器结构,制冷制热效果更佳,新增干衣模式,浴室可变为干衣房,干衣模式采用一键智能控制,机组根据室外环境温度自动选择运行模式,更贴心舒适浴享风管式室内机的产品性能与规格,以及产品安装注意事项

格力家庭中央空调系列浴享风管式室内机的产品外形尺寸及安装维修空间

浴享内机搭配格力舒睿家用中央空调

热品推荐 / Hot product